Glitter Gun
November 2024
So I have a decidedly pretty serious friend, despite their attitude, I set out to add some “sparkle” to their life (literally).
As such, I designed and constructed this “glitter gun”:

What
The device utilises 5x Dell server fans I had lying around to accelerate glitter towards a target, in this case my friend.
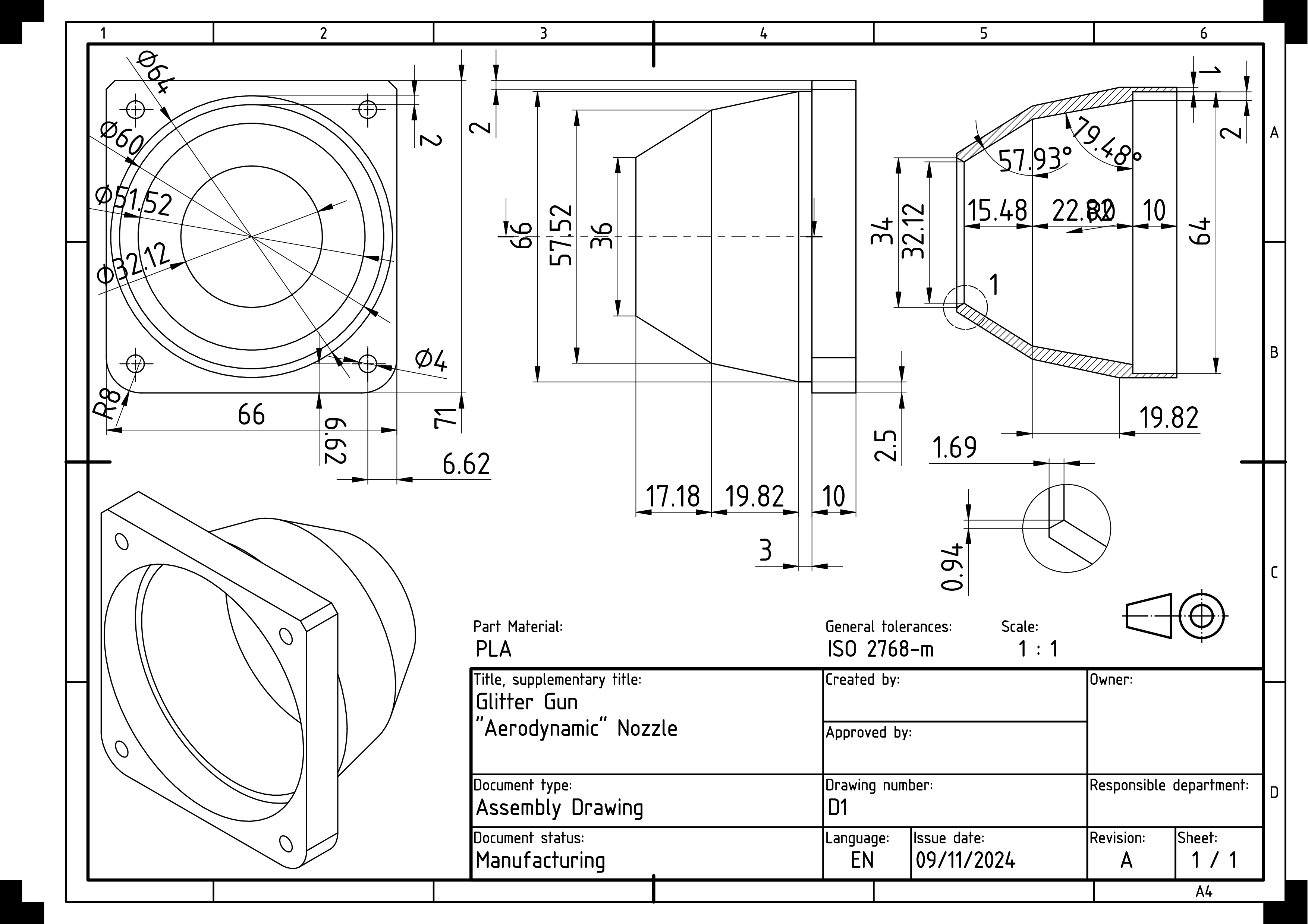
It was designed in FreeCAD and 3D-printed as two parts, a “central manifold” and a nozzle (which was printed seperately in case there were problems with it - important to note for later):



Whoever said FreeCAD sucked?
Design
Designing the manifold was an interesting challenge, for those curious, I opted to model the arms seperately, apply them as a polar pattern and then use a boolean to create a hole through them for the main body. Of course these would all be printed as a single part alongside the central body.
Additionally, I designed the nozle seperately to the rest of the device as this would allow me to swap it out if there were any issues or if I wanted to use this for other purposes (inflating baloons???).
Initial Testing
I started by testing only a nozzle to see if the design was even viable:


Having no knowledge of designing nozzles, I figured, “oh I’ll just give it curves, those are good, right?”
wrong
The curved profile of the nozzle’s interior made it extremely restrictive and was a mistake to put it lightly, and this was clearly the case when it was tested.
As such the Nozzle was redesigned to the image you have seen above
More Testing

After a little more work the initial prototype was completed, a bit larger than anticipated but that wasn’t a major issue.
Now came the time to test it, I hooked up the fans, connected them to my “power supply” and fired them up.
From feeling alone the airflow seemed good, so I tried to pour some glitter into the inlet…

disaster
Unfortunately it seemed that due to pressure, the inlet was actually blowing air and as such, glitter couldn’t be fed into the device.
Back to the drawing board? nope!
If you recall I made the nozzle modular, so I redesigned it once more…
Redesigned Nozzle


The new nozzle would not only fix this issue, but is much better anyway as it allowed me to hold 6 glitter “catridges” and cycle through them.
I printed the holder ring a few times to get the tolerances right and eventually did:

Another Test

From the aftermath of the next test alone, performance was clearly improved (glitter was no longer getting shot at my face)
LASERS
So yeah I gave it lasers:

This was fairly trivial, I 3D printed some holders for the laser diodes I got from eBay:

Slid them onto the nozzle, and taped it in place with an excessive amount of Kapton

So turns out lasers look cool under solder fumes, who knew!
“Portable-izing”
As it stood, the Glitter Gun wasn’t the most portable thing I’d built (shut up WristCom).
Making it portable was pretty easy all things considered, the fans weren’t particularly fussy about input voltage so long as it didn’t exceed their limit so I merely connected them direclty to a bettery via an XT30 connector.
As for the lasers, I taped a buck converted with a latching button to the side and voila:


This seems safe!
(Yes I really only had a DPDT switch)
Results
Overall this project itself was a resounding success, unfortunately, my friend was surprisngly good at dodging so they weren’t quite as glittered as initially anticipated.
Oh well, there’s always time for a V2 based on chemical propulsion I suppose…